| – | hand- bzw. fußbetätigt |
| – | Fahrschalter, Fahrpedal |
| – | Fahrtrichtungsschalter |
| – | Doppelpedalsteuerung |
| – | hand- bzw. fußbetätigt |
| – | Betriebsbremse |
| – | Feststellbremse |
| – | Unterlegkeil |
| – | Lenkrad, Deichsel |
| – | Joystick |
| – | Steuerung des Hubwerkes |
| – | Steuerung der Neigeeinrichtung |
| – | Steuerung von Anbaugeräten (z. B. Seitenschieber, Klammern) |
| – | Multifunktionshebel |
| – | Rücktasteinrichtung |
| – | Schaltschlüssel |
| – | Nummernschloss |
| – | Kartenschloss |
| – | Transponder |
| – | Nottastschalter/Batteriestecker |
| – | Signalgeber/Warneinrichtungen |
| – | Fahrersitzkontaktschalter |
| – | Fahrerrückhalteeinrichtung |
| – | Reifen (Schäden, Luftdruck, Profil, Fremdkörper, Radmuttern) | ||||||
| – | Gabelzinken (Verformung, Risse, Verschleiß, Aufhängung, Sicherung gegen Herausheben und Verschieben) | ||||||
| – | Anbaugeräte | ||||||
| – | Hubketten (ausreichende und gleichmäßige Spannung, Schmierung) | ||||||
| – | Hydraulik (Leckagen) | ||||||
| – | bei Batterieantrieb:
| ||||||
| – | bei Flüssiggasantrieb:
| ||||||
| – | bei verbrennungsmotorischem Antrieb:
| ||||||
| – | Fahrzeugaufbau (bleibende Verformungen, Risse) | ||||||
| – | Hubmast | ||||||
| – | Karosserie – Fahrerschutzdach – Lastschutzgitter | ||||||
| – | Anhängevorrichtung | ||||||
| – | Rückhaltesystem |
| – | Lenkungsspiel |
| – | Wirksamkeit der Bremsen |
| – | Funktionen zur Lasthandhabung |
| – | Heben, Senken, Neigen |
| – | Anbaugeräte, Zusatzeinrichtungen |
| – | Warngeber, akustisch und optisch |
| – | Hupe |
| – | Warnleuchten |
| – | Beleuchtung |
| – | Art der Lastaufnahme |
| – | Hubmastneigung |
| – | Fahrbahnneigung |
Hinweis zu den Abmessungen X, Y, Z und den Fahrzeiten:
Die angegebenen Abmessungen und Fahrzeiten sind Richtwerte und gelten für Gabelstapler mit einer Tragfähigkeit von ca. 1,4 t. Für andere Stapler sind diese Werte entsprechend anzupassen.
Nachstehend sind neun Fahr- und Stapelübungen dargestellt:
1. Übung:
Gewöhnung an den Gabelstapler – Fahren ohne Last
Vorgezeichneten Kreis oder beliebige Strecke ohne Last abfahren (vor- und rückwärts).

Beschreibung:
Betätigen der Stellteile für das Fahrwerk. Vorgezeichneten Kreis langsam ohne Last vor- und rückwärts abfahren. Alternativ ca. 15 m lange, ebene Gerade langsam ohne Last abfahren. Ohne zu wenden, Rückwärtsfahrt in gleicher Weise durchführen.
| Maße: | X: 8,0 m |
| Y: 2,0 m |
Hinweise:
Langsam beschleunigen, weich abbremsen (Längsstabilität), Geschwindigkeit dem Kurvenradius anpassen (Seitenstabilität). Vor Fahrtrichtungswechsel immer erst vollständig anhalten!
Im Einzelnen:
2. Übung:
Gewöhnung an den Gabelstapler – Fahren ohne und mit Last
Vorgezeichnete Strecke mit mittig aufgestellten Hindernissen (z. B. Verkehrsleitkegel) abfahren. Der Abstand der Hindernisse wird dabei unterschiedlich gewählt. Fahren ohne Last vorwärts, dann rückwärts; anschließend Fahren mit Last vorwärts, dann rückwärts.

Beschreibung:
Betätigen der Stellteile für Fahr- und Hubwerk. Ca. 15 m lange, ebene Gerade mit Hindernissen ohne Last vor- und rückwärts abfahren. Anschließend Übung mit Last wiederholen. Als Last wird eine beladene Flach- oder Gitterboxpalette verwendet.
| Maße: | X: 3,0 m |
| Y: 5,0 m |
Hinweise für das Aufnehmen und Absetzen einer Last:
| – | Bremse betätigen |
| – | Last anheben, bis Last bodenfrei |
| – | Mast zurückneigen |
| – | Bremse lösen |
| – | mit aufgenommener Last Übungsstrecke vor- und rückwärts (jeweils in Fahrtrichtung schauen) abfahren |
| – | wieder an Ausgangspunkt zurückfahren |
| – | Bremse betätigen |
| – | Mast senkrecht stellen |
| – | Last absetzen |
| – | Bremse lösen |
| – | Stapler ca. 2 m zurücksetzen (in Fahrtrichtung schauen!) |
| – | Bremse betätigen |
| – | Gabel vorschriftsmäßig auf Boden abstellen |
| – | Mast vorneigen |
| – | Handbremse anziehen |
| – | Motor stillsetzen |
| – | Schlüssel abziehen |
Bemerkung:
Die Teilnehmenden werden außerdem darauf aufmerksam gemacht, auch darauf zu achten, dass die Gabelzinken entsprechend der aufzunehmenden Last genügend weit auseinander gezogen werden, um die Stabilität der Last sicherzustellen.
3. Übung:
Gewöhnung an den Gabelstapler – Fahren ohne und mit Last
Kreisförmig aufgestellte Hindernisse (z. B. Verkehrsleitkegel) abfahren. Fahren ohne Last vorwärts, dann rückwärts; anschließend Fahren mit Last vorwärts, dann rückwärts.

Beschreibung:
Betätigung der Bedienungseinrichtungen für Fahr- und Hubwerk. Die kreisförmig aufgestellten Hindernisse ohne Last vor- und rückwärts umfahren. Anschließend die Übung mit Last wiederholen.
| Maße: | X: 3,0 m |
| Y: 8,0 m. |
4. Übung:
Beherrschung des Gabelstaplers – Kurventechnik – Übung mit Last
Vor- und Rückwärtsfahren um Hindernisse, die auf zwei parallelen Strecken (Abstand Y) hintereinander im Abstand X aufgebaut sind.
Die Übung wird mit Last durchgeführt.

Beschreibung:
Die aufgestellten Hindernisse mit Last in kleinen und großen Kurven vor- und rückwärts umfahren.
|
|
5. Übung:
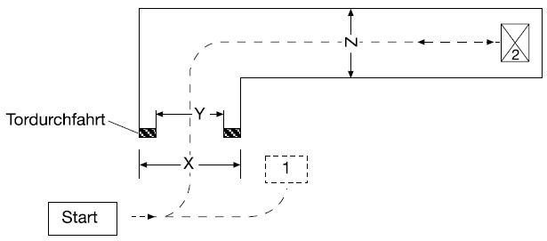
Aufnehmen von Lasten in Gängen – simulierte Tordurchfahrt
Aufnehmen und Stapeln von Lasten in Gängen – Tordurchfahrt; von einem breiten Gang rechtwinkelig in einen schmalen Gang einbiegen.

Beschreibung:
Ohne Last in einen X m breiten und ca. 15 m langen Gang einfahren. Durchfahren einer Y m breiten simulierten Tordurchfahrt, rechtwinkelig in einen Z m breiten Gang einbiegen, Gitterbox- oder Flachpalette am Ende des Gangs (Markierung 2) aufnehmen, rückwärts zum Ausgangspunkt zurückfahren (Blick in Fahrtrichtung), Last auf Markierung 1 absetzen, ca. 2 m zurücksetzen und Stapler vorschriftsmäßig abstellen!
|
|
Hinweis:
Vor Tordurchfahrt Geschwindigkeit vermindern und hupen! Beim Einbiegen in den rechtwinkeligen Gang auf richtige Fahrweise achten.
6. Übung:
Aufnehmen und Stapeln von Lasten (Gitterbox- und Flachpaletten) in einem Gang mit möglichst wenig Fahrbewegungen

Beschreibung:
Flachpalette vorschriftsmäßig aufnehmen, in den Gang einfahren und auf markierter Fläche zwischen zwei Gitterboxpaletten (Nr. 1 und 2) absetzen; im Gang zurücksetzen, Gitterboxpalette 1 aufnehmen und auf Gitterboxpalette 2 absetzen; zurückfahren und Gabelzinken bis Boden absenken; Gabelzinken anheben, Gitterboxpalette 1 wieder aufnehmen und neben Flachpalette absetzen; Flachpalette aufnehmen und rückwärts aus dem Gang herausfahren, Flachpalette vorschriftsmäßig absetzen; ca. 2 m zurückfahren und Gabelstapler vorschriftsmäßig abstellen.
|
|
Hinweise für das Stapeln von Lasten:
Bemerkung:
Besonders muss darauf geachtet werden, dass vor allen Hub- und Senkbewegungen die Bremse betätigt sowie beim Abstellen die Feststellbremse des Staplers angezogen wird.
7. Übung:
Ein- und Ausstapeln an einem Palettenregal
Stapeln und Entstapeln an einem 3,50 m hohen Palettenregal mit 2 Regalflächen (jeweils 2 Flachpaletten können im Regal nebeneinander abgesetzt werden).
Beschreibung:
Ein- und Ausstapeln an einem 3,50 m hohen Palettenregal mit zwei Regalfächern. Jeweils zwei Flachpaletten können im Regal nebeneinander abgesetzt werden. Diese Übung wird mit beladenen Flachpaletten durchgeführt, die aus dem einen Regal in das andere transportiert werden.
Hinweise:
Die Höhe der einzelnen Regalböden lassen sich beispielsweise am Hubgerüst des Gabelstaplers markieren. Sie erleichtern der Bedienperson das Ein- und Auslagern der Ware. Weiter können hierdurch Fehler, z. B. Anstoßen der Gabel an die Regalböden, Beschädigungen der Ware sowie das Herabstoßen von Gütern, leichter vermieden werden.
Hinweise für das Aufnehmen und Absetzen von Lasten siehe Übung 2.
Ausstapeln:
8. Übung:
Be- und Entladen eines Eisenbahnfahrzeuges über eine markierte Ladebrücke

Beschreibung:
Die sechs im Eisenbahnwaggon (= abgegrenzte Fläche) abgestellten Paletten sind auf die Plätze 1 bis 6 zu verteilen und umgekehrt.
Hinweise:
Aufnehmen und Stapeln von Lasten wie in den vorangegangenen Übungen beschrieben.
Besondere Vorsicht beim Herausfahren aus dem "Waggon" (eventuell hupen).
9. Übung:
Befahren einer schiefen Ebene mit Last
Beschreibung:
Eine schiefe Ebene wird mit Last vorwärts und rückwärts befahren.
Hinweise:
Nach § 12 Abs. 7 der DGUV Vorschrift 68 "Flurförderzeuge" muss die Last beim Befahren von Steigungen und Gefällen mit Gabelstaplern bergseitig geführt werden.
Bei der Aufwärtsfahrt darauf achten, dass die Sicht nach vorne durch die Last nicht versperrt ist. Gegebenenfalls durch Einweiser helfen lassen. Niemals wenden auf Gefällen/Steigungen!

Beschreibung der Prüfungsfahrt: