(1) Bei Festlegung der Anordnung und Abmessungen der Fluchtwege und Notausgänge sind die besonderen Anforderungen von Personen mit Behinderungen zu berücksichtigen. (ASR A2.3 Punkt 5 Abs. 1)
(2) Im Falle des Bewegens in Fluchtrichtung ohne Begegnung ist für Personen mit Behinderung, die eine Gehhilfe oder einen Rollstuhl benutzen, eine lichte Mindestbreite für Fluchtwege von 1,00 m erforderlich. Dabei darf die lichte Breite des Fluchtweges stellenweise für das Einzugsgebiet
auf nicht weniger als 0,90 m reduziert werden. Ist eine Fluchtrichtung vorgesehen, bei der eine Begegnung mit anderen Personen mit Behinderung stattfindet, ist eine Mindestbreite für Fluchtwege von 1,50 m erforderlich. (abweichend von ASR A2.3 Punkt 5 Abs. 6)
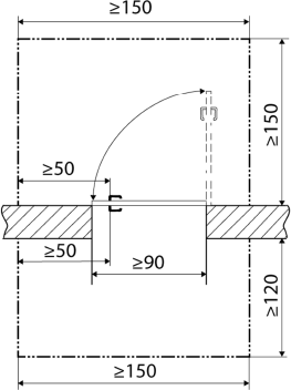
(3) Vor Türen und Toren im Fluchtweg sind für Personen mit Behinderung, die eine Gehhilfe oder einen Rollstuhl benutzen, freie Bewegungsflächen sowie eine seitliche Anfahrbarkeit gemäß Abb. 1 erforderlich. Bei einer zusätzlichen Einschränkung der Hand-/Arm-Motorik ist zu prüfen, ob bei Wandstärken größer als 0,26 m eine Betätigung des Türdrückers möglich ist. Bei Einschränkungen der visuellen Wahrnehmung ist auf den Kontrast zwischen Wand und Tür sowie zwischen Bedienelement und Türflügel zu achten. (ASR A2.3 Punkt 7 Abs. 1)

Abb. 1: Freie Bewegungsfläche sowie seitliche Anfahrbarkeit vor Drehflügeltüren im Fluchtweg (Maße in cm)
(4) Sofern in gesicherten Bereichen in Treppenräumen ein kurzzeitiger Zwischenaufenthalt von Personen mit Behinderung, die eine Gehhilfe oder einen Rollstuhl benutzen, zu erwarten ist, müssen diese so ausgeführt sein, dass die Mindestbreite der Fluchtwege nicht eingeschränkt wird.(ASR A2.3 Punkt 4 Abs. 8)
(5) Bei der Gestaltung von Flucht- und Rettungsplänen sind die Belange der Beschäftigten mit Behinderungen so zu berücksichtigen, dass die für sie sicherheitsrelevanten Informationen verständlich übermittelt werden. Dies wird z. B. erfüllt, wenn
(ASR A1.3 Punkt 6; ASR A2.3 Punkt 10 Abs. 2)
(6) Führen Fluchtwege durch Schrankenanlagen mit Drehkreuz muss für Personen mit Behinderung, die eine Gehhilfe oder einen Rollstuhl benutzen, ein alternativer Fluchtweg vorhanden sein. (abweichend von ASR A2.3 Punkt 4 Abs. 7)
(7) Für Beschäftigte, die einen Rollstuhl benutzen und deren Hand-/Arm-Motorik eingeschränkt ist, dürfen Bedienelemente einschließlich der Entriegelungseinrichtungen maximal eine Höhe von 0,85 m haben. Im begründeten Einzelfall sind andere Maße zulässig. Der maximale Kraftaufwand darf nicht mehr als 25 N oder 2,5 Nm betragen. Können die Maximalwerte für Kraft und Drehmoment nicht eingehalten werden, sind elektrische Entriegelungssysteme vorzusehen. Dabei muss die Not-Auf-Taste in einer Höhe von 0,85 m und mindestens 2,50 m vor der aufschlagenden Tür und 1,50 m in Gegenrichtung angebracht sein. (abweichend von ASR A2.3 Punkt 7 Abs. 1)
(8) Die Alarmierung von Beschäftigten mit Seh- oder Hörbehinderungen, die gefangene Räume nutzen, erfordert die Berücksichtigung des Zwei-Sinne-Prinzips. (ASR A2.3 Punkt 4 Abs. 12)
(9) Für ein sicheres Verlassen ins Freie oder in einen gesicherten Bereich können besondere organisatorische Maßnahmen für Beschäftigte mit Behinderungen erforderlich sein. Das ist z. B. die Benennung einer ausreichenden Anzahl eingewiesener Personen, die gegebenenfalls im Gefahrfall die Beschäftigten mit Behinderungen auf bestehende oder sich abzeichnende Gefahren oder Beeinträchtigungen hinweisen, sie begleiten oder ihnen behilflich sind (Patenschaften). Die notwendigen Maßnahmen sind im Rahmen der Gefährdungsbeurteilung im Einzelfall zu ermitteln und mit den an der organisatorischen Maßnahme beteiligten Beschäftigten abzustimmen.
(10) Bei Räumungsübungen sind die Belange der Beschäftigten mit Behinderungen zu berücksichtigen, z. B. Anwenden von Evakuierungshilfen. (ASR A2.3 Punkt 11 Abs. 2)
(11) Bei optischen Sicherheitsleitsystemen sind die Belange von Beschäftigten mit Sehbehinderung so zu berücksichtigen, dass die sicherheitsrelevanten Informationen auf andere Art verständlich übermittelt werden. Dies kann dadurch erreicht werden, dass diese Informationen, dem Zwei-Sinne-Prinzip folgend, zusätzlich zum visuellen über einen anderen Sinneskanal durch taktile Zeichen oder Schallzeichen aufgenommen werden können.
Möglichkeiten, die Informationen des optischen Sicherheitsleitsystems für Beschäftigte mit Sehbehinderung taktil erfassbar oder hörbar zu ergänzen sind z. B.: